產品概況
船用鋅陽極是一種重要的船舶防腐保護材料,主要用于防止船體及其設備在海水等腐蝕性介質中的腐蝕
工作原理:船用鋅陽極主要基于犧牲陽極的電化學保護原理,通過自身優先腐蝕來保護船體或其他金屬結構免受腐蝕。鋅的化學性質活潑,在常溫下的空氣中,表面生成一層薄而致密的堿式碳酸鋅膜,可阻止進一步氧化。在海水中,鋅陽極與船體的鋼鐵結構形成原電池,鋅作為陽極失去電子,發生氧化反應,而船體作為陰極得到電子,從而避免了鋼鐵的腐蝕。
性能特點
電化學活性高:鋅合金犧牲陽極有較高的電化學活性,能夠迅速產生足夠的電流來保護船舶的金屬結構。
保護年限長:鋅合金犧牲陽極的保護年限通常可以達到 20~30 年,且一般不會發生過保護現象。
華宇鎂業鋅合金陽極優勢
我公司生產的鋅合金犧牲陽極采用優良的原材料(鋅陽極原料純度不低于90%)多重質檢工藝(雜質質檢、金相顯微分析、全套化學分析),
成熟的生產工藝

嚴格的儀器檢驗,


陽極鐵芯檢測確保每支陽極符合國標要求,符合客戶定制需求。

該產品具有以下特點:
(1)陽極自溶性小,電流效率高。
(2)陽極發生電流是自調節性能好;
(3)在條件允許的土壤環境中使用較為經濟。
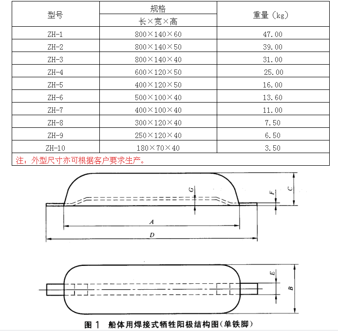
規格參數


產品應用
應用范圍
船體及其設備的防腐保護:在船舶的尾部和船殼水線以下部分,通常會安裝一定數量的鋅陽極,以防止船體遭受海水腐蝕。此外,船舶內部的水箱、管道等系統也可能受到海水或淡水的腐蝕,在這些區域安裝鋅陽極也可以有效防止腐蝕。
壓載水艙、機械設備、海洋工程和海港設施等金屬結構的防腐保護:壓載水艙是船舶中容易受到腐蝕的部位之一,安裝鋅陽極可以有效地保護壓載水艙的金屬結構。此外,海洋工程和海港設施中的金屬結構也經常受到海水的腐蝕,使用鋅陽極可以延長這些結構的使用壽命。
海水介質的冷凝器、水泵等設備的防腐保護:在海水介質中工作的冷凝器、水泵等設備,容易受到海水的腐蝕和結垢影響。安裝鋅陽極可以有效地防止這些設備的腐蝕,提高設備的運行效率和使用壽命。
安裝與維護
安裝:根據陰極保護的設計要求,確定鋅陽極的安裝位置。通常,陽極應安裝在管道的側方或側下方,與管道之間保持適當的距離,以確保優化保護效果。對于船體,鋅陽極通常焊接在船體的易腐蝕部位,如船殼的水線以下部分。
維護:定期檢查陽極與電纜、陽極與被保護結構之間的連接點是否牢固無松動。如有松動應及時處理以防止因接觸不良而影響保護效果。同時,定期測量陽極的電位以評估其保護效果,如果電位偏離正常范圍應及時檢查原因并采取相應的補救措施。
