產品概況
鋅陽極適用于電阻率小于15 Q·m的介質(包括海水、海泥、土壤等)中的鋼結構陰極保護用的鋅陽極的設計、制造、檢驗、貯存等,包括船舶、港工設施、海洋工程、埋地金屬管道、儲罐、海水冷卻水系統等鋼結構陰極保護用的鋅陽極。
生產加工材料:
鋅錠需要滿足 GB/T 470—2008標準
碳素結構鋼需要滿足 GB/T 700標準
重熔用鋁錠需要滿足 GB/T 1196—2017標準
鋼筋混凝土用鋼第需要滿足 GB/T 1499.2標準
熱軋帶肋鋼筋需要滿足 GB/T 6682標準
分析實驗室用水規格和試驗方法需要滿足 GB/T 8170標準
數值修約規則與極限數值的表示和判定需要滿足 GB/T 8923.1—2011標準
未涂覆過的鋼材表面和清除原有涂層后的鋼材表面的銹蝕等級和處理等級需要滿足
犧牲陽極電化學性能試驗方法需要滿足GB/T 17848標準
金屬鍍層和化學覆蓋層厚度系列及質量要求需要滿足CB/T 3764標準
鎘錠需要滿足YS/T 72—2014標準
分類
鋅陽極按化學成分可分為鋅-鋁-鎘陽極(I型和Ⅱ型,含鎘元素,使用前應征求需方的許可)和純鋅陽極(Ⅲ型),其中I型和Ⅲ型鋅陽極適用環境溫度不超過50℃。
鋅陽極按用途可分為船體用鋅陽極、液艙用鋅陽極、港工和海洋工程設施用鋅陽極、海水冷卻水系統用鋅陽極、儲罐用鋅陽極和埋地管線用鋅陽極。
鋅陽極按結構型式可分為單鐵腳焊接式鋅陽極、雙鐵腳焊接式鋅陽極、螺栓連接式鋅陽極、圓盤狀鋅陽極和帶狀鋅陽極。
型號表示
鋅陽極的型號表示方法如下。

規格、參數和結構型式
船體用鋅陽極的型號和參數見表2、表3和表4,結構型式見圖1、圖2和圖3。



液艙用鋅陽極型號和參數見表5.表6和表7,結構型式見圖4、圖5和圖6.



港工和海洋工程設施用鋅陽極的型號和參數見表8和表9,結構型式見圖7和圖8.


海水冷卻水系統用鋅陽極的型號和參數見表10和表11,結構型式見圖8和圖9.


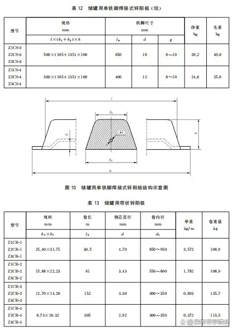
儲罐用鋅陽極的型號和參數見表12和表13,結構型式見圖10和圖11.



理地管線用鋅陽極的型號和參數見表14和表15.結構型式見圖11和圖12。


鋅合金犧牲陽極化學成分
鋅陽極的化學成分(質量分數)應符合表16的規定。

鋅合金犧牲陽極表面質量
鋅陽極的工作面可為鑄造面·工作面應保持干凈,不應沾有油漆和油污等。
鋅陽極的工作面應無氧化渣,毛刺、飛邊、裂紋等缺陷
鋅陽極的工作面允許有鑄造縮孔,數量不超過2個,孔徑不大于10 mm,深度應不超過10 mm,且不超過鋅陽極厚度的10%。
鋅陽極的非工作面應平整·宜在非工作面均勻涂刷有機涂料或加裝其他絕緣層。
鐵腳
材質
鋼筋鐵腳
采用帶肋鋼筋制造。鋼筋成分、尺寸及外形應符合GB/T 1499.2的規定。
板狀鐵腳
采用碳素結構鋼制造。鋼的成分、尺寸應符合GB/T 700的規定。
表面處理
鐵腳表面應清潔無銹·經鍍鋅或噴砂處理,鍍鋅層質量應符合CE/T 3764的規定,噴砂處理應滿足GB/T 8923.1—2011中S2的要求。
接觸電阻
陽極體與鐵腳之間的接觸電阻應不大于0.0010.重量和尺寸
重量偏差
鋅陽極的每塊允許毛重偏差為士3%,每批次鋅陽極的總重量不應出現負偏差。
帶狀鋅陽極的每米允許毛重偏差為士5%,每卷帶狀鋅陽極的總重量不應出現負偏差
尺寸偏差
鋅陽極(帶狀除外)的每塊允許長度偏差為士2%,寬度偏差為士3%,厚度偏差為士5%,直線度不大于2%。
帶狀鋅陽極的截面尺寸允許偏差為±l mm,鋼芯直徑允許偏差為±0.4 mm,鋼芯同心度偏差不大于2 mm,每卷帶狀鋅陽極的總長度不應出現負偏差。